关于我们
产品中心
   English |
   简体中文 |
新闻中心
联系我们
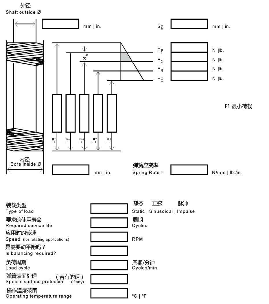
Helical disk springs Selection Table
Helical disk springs Selection Table
碟形弹簧 / Specification
Helical disc spring
Helical disk springs Selection Table
联系我们 / Contact Us
地 址:
中国江苏昆山市新浦路66号
邮 箱:
yang.liu@dlrode.com
电 话:
0512-55083598
传 真:
0512-57862280
扫描二维码关注(昆阁林五金)
昆阁林五金(昆山)有限公司 备案号:
苏ICP备12051901号-2
地址:中国江苏昆山市新浦路66号 电话:+86.512.57862290 传真:+86.512.57862280 邮箱:kungelin@kungelin.com